ESP32-MyWorks
Home
PC / MCU
Raspberry Pi
ESP32
PIC
Ubuntu
プログラム言語
▼
Elements
ETC.
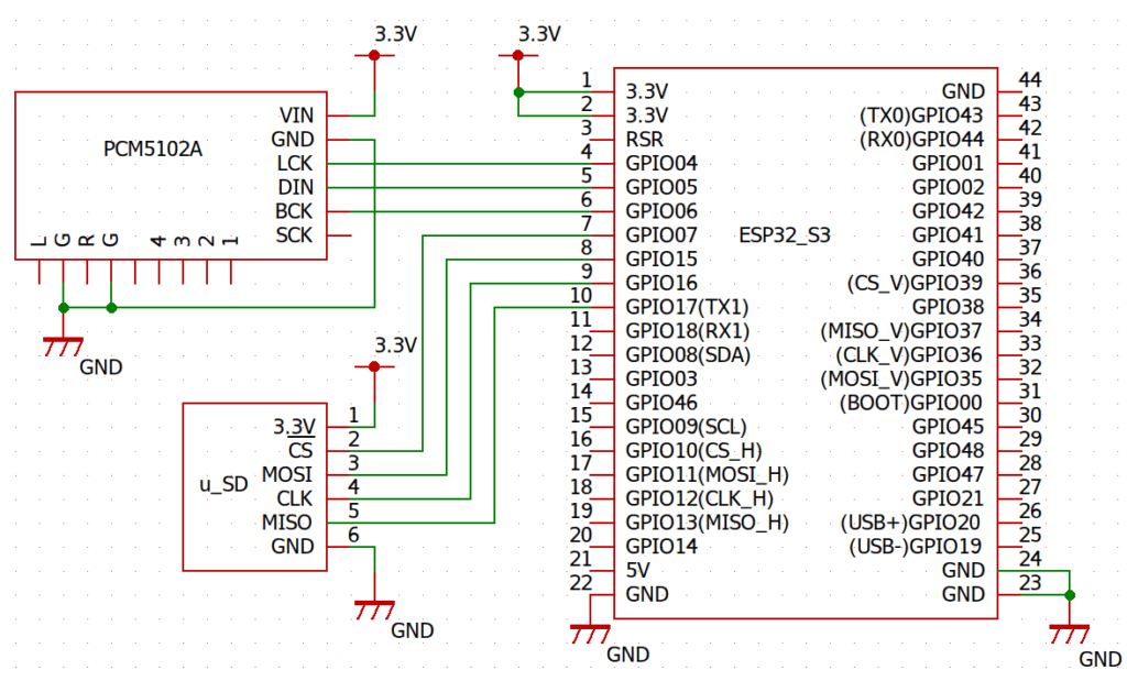
ESP32-audioI2S-masterを使う
このライブラリを使うとWeb_Radioが簡単に作れます。
<< Back